







Общее
- Артикул
- 461.430.00.1
- Страна
- Швейцария
- Производитель
- Geberit
Описание
Модуль Geberit GIS для умывальника представляет собой встраиваемый модуль установки раковины на каркасную систему. Применяется для встраивания в пристенки, разделительные перегородки и отдельно стоящие стены. Применяется для монтажа умывальников и для вертикальных смесителей. Представляет собой траверса из оцинкованной стали с двумя быстрыми креплениями. Регулировка высоты осуществляется бесступенчато. Расстояние между точками крепления раковина стандартное – 28 см, регулируется с помощью несущей конструкции Geberit GIS.
В комплект поставки модуля Geberit GIS входит крепление соединительного шумопоглощающего колена. Подвод воды модуля совместим с MasterFix и MeplaFix. Соединительное колено может монтироваться без использования инструментов. Самоклеящаяся уплотнительная прокладка с флисовым покрытием. Также имеется защитная заглушка для однократной проверки давления холодной водой максимально 15 бар/1500 кПа. Купить модуль Geberit GIS для умывальника .
Основные технические характеристики:
- Страна
- Швейцария
- Производитель
- Geberit
- Модель
- GIS (модель 461.430.00.1)
- Категория
- инсталляция
- Назначение
- для раковины / умывальника
- Тип
- траверса для подвесной раковины / умывальника
- Вид
- траверса
- Монтаж
- пристенки, разделительные перегородки, отдельно стоящие стены
- Материал рамы
- оцинкованная сталь
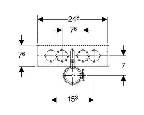
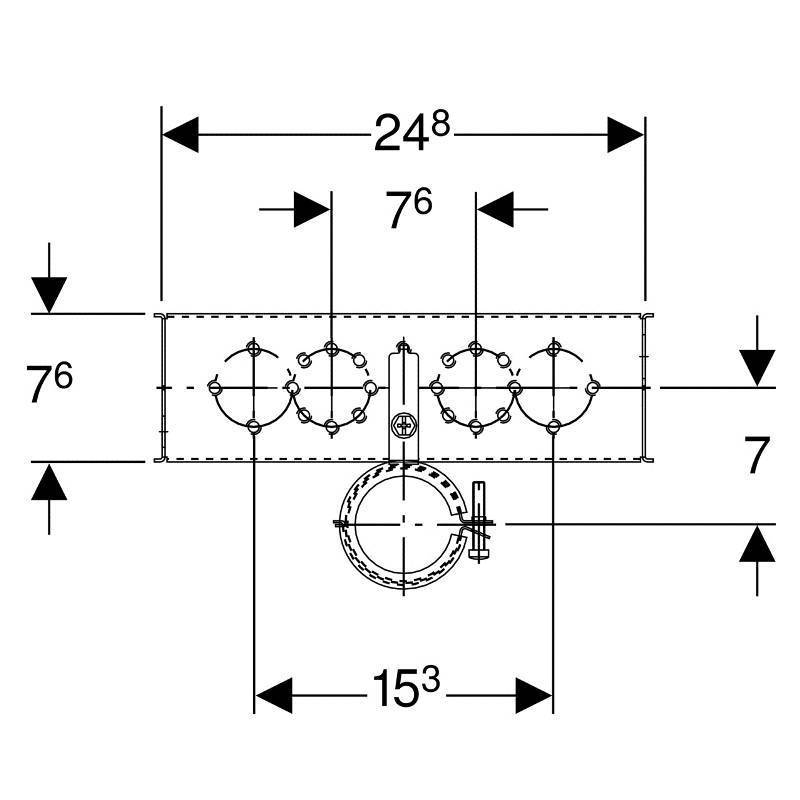
Габариты и монтаж:
- Длина
- 24,8 см
- Ширина
- 7,6 см
- Глубина
- 3,7 см
- Межосевое крепление для раковины
- 28 см
- Расстояние между точками подключения смесителя
- 7,6 / 15,3 см
- Соединительное колено
- 50 мм из ПНД
- Уплотнение
- 44/32 мм
- Соединительные колени для смесителя
- R 1/2" – 2 штуки
Преимущества модулей для раковин и умывальников Geberit GIS:
- технология соединения в одни клик: монтаж без инструмента;
- возможность создания тонких (от 10 см) перегородок;
- высокая звукоизоляция конструкции;
- быстрота сборки, минимум шума и пыли при строительстве;
- уникальные технологии крепежа и изоляции сводят к минимуму распространение шума и передачу звука по конструкциям;
- специальная пробковая пластина предотвращает образование звуковых мостиков от системы GIS на конструкцию здания;
- система сохраняет прочность даже при очень высоких нагрузках;
- модуль позволяет компенсировать неровности стен, создавать «безбарьерные» ванные комнаты, которые сейчас очень популярны;
- профиль не требует абсолютной точности, система компенсирует небольшие неточности размеров и неровности стен;
- крепления крепежных скоб для установки нестандартного санфаянса;
- защитная крышка окна технического обслуживания защищает от влаги и грязи.
Габариты:
Комплектация:
- 2 соединительных колена R 1/2";
- 2 звукоизолирующих бандажа;
- 2 изоляционных рукава;
- 5 защитных и маркировочных заглушки;
- 2 уплотнительных прокладки;
- Соединительное колено из ПНД, ø 50 мм, удлиненное;
- Уплотнение ø 44/32 мм;
- 2 крепежных скобы М10;
- 2 резьбовые шпильки M10;
- Крепеж.
Применение:
- Для встраивания в систем крепления Geberit GIS для пристенков, разделительных перегородок или отдельно стоящих стен;
- Для вертикальных смесителей;
- Для монтажа умывальников.
Новинки ассортимента 2021 |
Нет отзывов об этом товаре.