









Общее
- Артикул
- 461.686.00.1
- Страна
- Швейцария
- Производитель
- Geberit
Описание
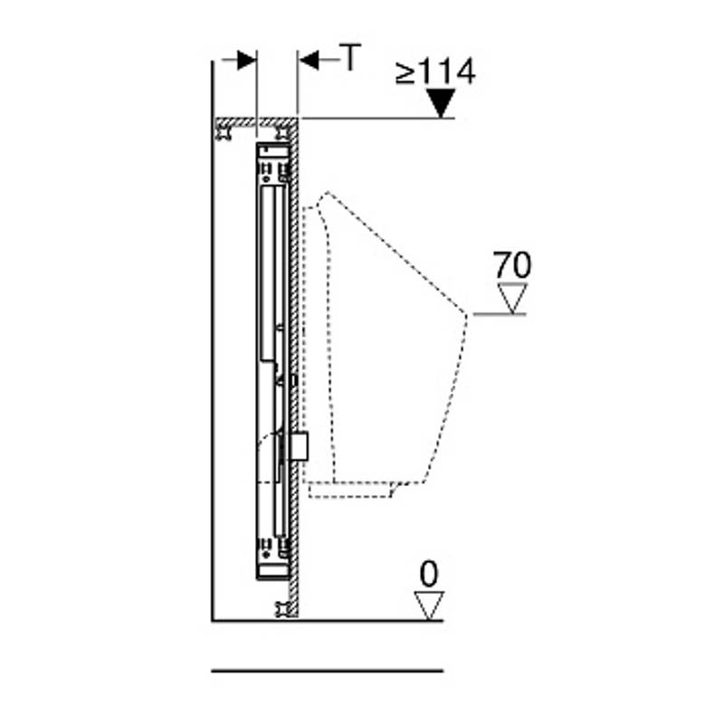
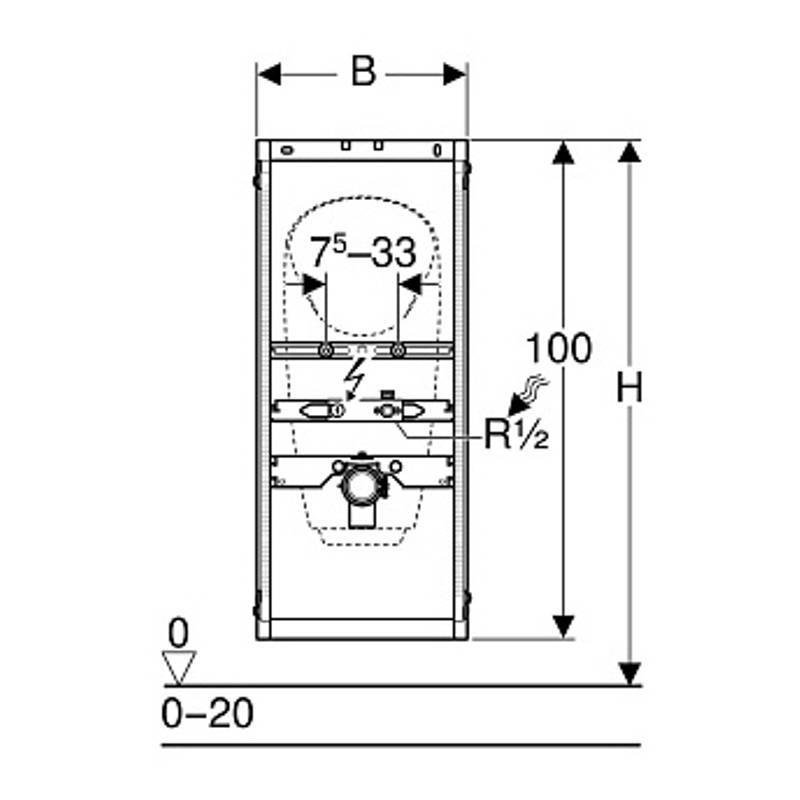
Модуль Geberit GIS для писсуара 114 см для наружного смывного клапана представляет собой встраиваемый модуль установки писсуара на каркасную систему. Применяется для встраивания в пристенки, разделительные перегородки и отдельно стоящие стены. Применяется для подвесных писсуаров, в том числе, безводных и со встроенной системой управления смыва, а также для писсуаров Geberit Preda, Geberit Selva, Geberit Tamina. Подходит для наружного смывного клапана, а также для напольных покрытий толщиной 0-20 см. Представляет собой раму из оцинкованной стали с четырьмя быстрыми креплениями. Регулировка высоты осуществляется бесступенчато. Модуль имеет установленные точки подсоединения для писсуара Geberit Preda. Крепление для сифона Rp 1/2" регулируется по высоте и в стороны.
В комплект поставки модуля Geberit GIS входит регулируемое по высоте и шумопоглощающее крепление для соединительного колена, а крепления писсуара М8. регулируются по ширине и высоте. Траверсы с обозначением центра устанавливаются без применения инструментов. Модуль имеет обозначенные точки подсоединения для писсуаров Geberit Preda и Selva. Самоклеящаяся уплотнительная прокладка с флисовым покрытием имеется в комплекте модуля. Возможно дополнительное крепление писсуара с помощью принадлежностей. Защитная заглушка для однократной проверки давления холодной водой максимум 15 бар/1500 кПа. Купить модуль Geberit GIS для писсуара 114 см для наружного смывного клапана .
Основные технические характеристики:
- Страна
- Швейцария
- Производитель
- Geberit
- Модель
- GIS (модель 461.686.00.1)
- Категория
- инсталляция
- Назначение
- для подвесного писсуара
- Тип
- модуль для подвесного писсуара
- Вид
- монтажная рама
- Монтаж
- пристенки, разделительные перегородки, отдельно стоящие стены
- Материал рамы
- оцинкованная сталь
Габариты и монтаж:
- Высота
- 109-127 см
- Ширина
- 42 см
- Глубина
- 10 см
- Межосевое крепление для писсуара
- 7,7-33 см
- Соединительное колено
- 63/50 мм
- Всасывающий сифон
- 50 мм
- Уплотнение
- 57/50 мм
- Подключение воды
- 1/2"
- Подвод воды
- совместим с MF
Преимущества модулей для подвесных писсуаров Geberit GIS:
- технология соединения в одни клик: монтаж без инструмента;
- возможность создания тонких (от 10 см) перегородок;
- высокая звукоизоляция конструкции;
- быстрота сборки, минимум шума и пыли при строительстве;
- уникальные технологии крепежа и изоляции сводят к минимуму распространение шума и передачу звука по конструкциям;
- специальная пробковая пластина предотвращает образование звуковых мостиков от системы GIS на конструкцию здания;
- система сохраняет прочность даже при очень высоких нагрузках;
- модуль позволяет компенсировать неровности стен, создавать «безбарьерные» ванные комнаты, которые сейчас очень популярны;
- профиль не требует абсолютной точности, система компенсирует небольшие неточности размеров и неровности стен;
- крепления крепежных скоб для установки нестандартного санфаянса;
- защитная крышка окна технического обслуживания защищает от влаги и грязи.
Габариты:
Комплектация:
- Подвод воды Rp 1/2"/R 1/2" совместим с MF;
- Защитные и маркировочные заглушки;
- Уплотнительная прокладка;
- Соединительное колено из ПНД, ø 63/50 мм;
- Защитная заглушка;
- Уплотнение ø 57/50 мм;
- Всасывающий сифон ø 50 мм, включая уплотнение на писсуаре;
- 2 резьбовые шпильки M8;
- Крепеж.
Применение:
- Для встраивания в систем крепления Geberit GIS для пристенков, разделительных перегородок или отдельно стоящих стен;
- Для монтажа писсуаров со встроенной системой управления смывом;
- Для монтажа безводных писсуаров;
- Для писсуаров Geberit Preda;
- Для писсуаров Geberit Selva;
- Для писсуаров Geberit Tamina;
- Для наружного смывного крана;
- Для напольных покрытий толщиной 0–20 см.
Новинки ассортимента 2021 |
Нет отзывов об этом товаре.