









Общее
- Артикул
- 461.530.00.1
- Страна
- Швейцария
- Производитель
- Geberit
Описание
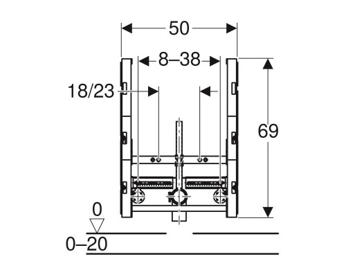
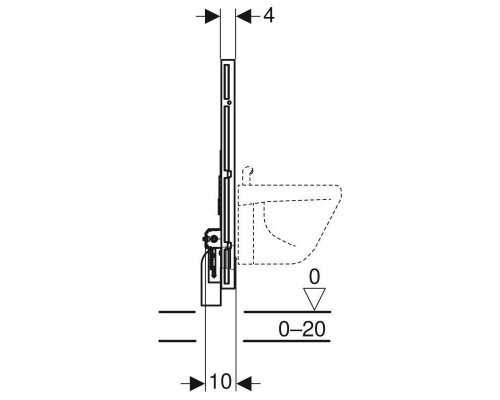
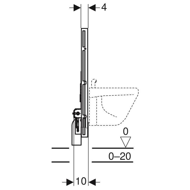
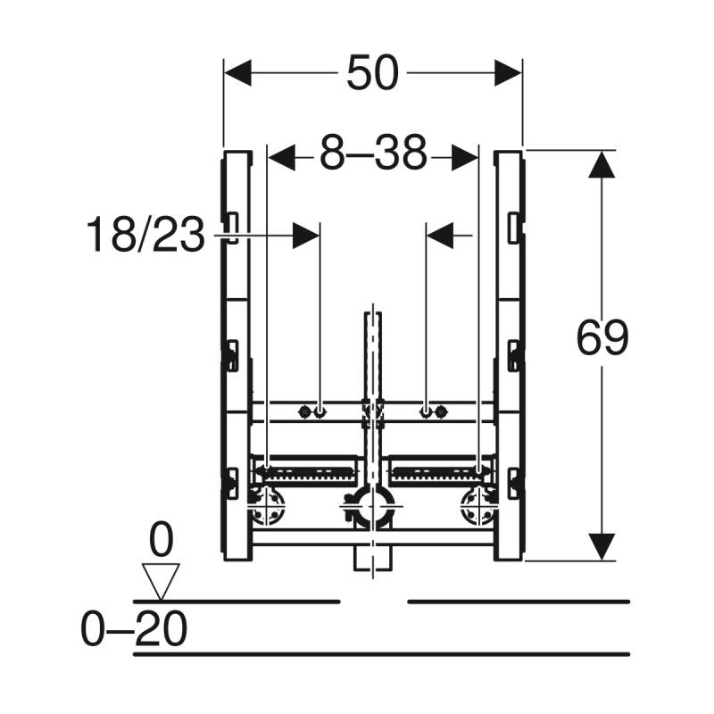
Модуль Geberit GIS для биде 50 см представляет собой встраиваемый модуль установки биде на каркасную систему. Применяется для встраивания в пристенки, разделительные перегородки и отдельно стоящие стены. Применяется для подвесных биде с вертикальным смесителем. Также подходит для напольных покрытий толщиной 0-20 см. Представляет собой раму из оцинкованной стали с четырьмя быстрыми креплениями. Регулировка высоты осуществляется бесступенчато. Расстояние между точками крепления подвесного биде в модуле – 18 или 23 см. Крепление биде регулируется по высоте
В комплект поставки модуля Geberit GIS входит регулируемое по высоте и шумопоглощающее крепление для соединительного колена. Крепления смесителя регулируются по ширине и высоте. В комплекте также есть самоклеящаяся уплотнительная прокладка с флисовым покрытием. Защитная заглушка для однократной проверки давления холодной водой максимально 15 бар/1500 кПа. Купить модуль Geberit GIS для биде 50 см .
Основные технические характеристики:
- Страна
- Швейцария
- Производитель
- Geberit
- Модель
- GIS (модель 461.530.00.1)
- Категория
- инсталляция
- Назначение
- для подвесного биде
- Тип
- модуль для подвесного биде
- Вид
- монтажная рама
- Монтаж
- пристенки, разделительные перегородки, отдельно стоящие стены
- Материал рамы
- оцинкованная сталь
Габариты и монтаж:
- Высота
- 69 см
- Ширина
- 50 см
- Глубина
- 10 см
- Межосевое крепление для писсуара
- 18/23 см
- Соединительное колено
- 2 штуки – Rp 1/2" / R 1/2"
- Соединительное колено
- 50 мм из ПНД
- Уплотнения
- 44/32 мм
Преимущества модулей для подвесных биде Geberit GIS:
- технология соединения в одни клик: монтаж без инструмента;
- возможность создания тонких (от 10 см) перегородок;
- высокая звукоизоляция конструкции;
- быстрота сборки, минимум шума и пыли при строительстве;
- уникальные технологии крепежа и изоляции сводят к минимуму распространение шума и передачу звука по конструкциям;
- специальная пробковая пластина предотвращает образование звуковых мостиков от системы GIS на конструкцию здания;
- система сохраняет прочность даже при очень высоких нагрузках;
- модуль позволяет компенсировать неровности стен, создавать «безбарьерные» ванные комнаты, которые сейчас очень популярны;
- профиль не требует абсолютной точности, система компенсирует небольшие неточности размеров и неровности стен;
- крепления крепежных скоб для установки нестандартного санфаянса;
- защитная крышка окна технического обслуживания защищает от влаги и грязи.
Габариты:
Комплектация:
- 2 соединительных колена Rp 1/2"/R 1/2", совместимы с MF;
- 2 уплотнительных прокладки;
- 2 звукоизолирующих бандажа;
- 2 изоляционных рукава;
- 3 защитных и маркировочных заглушки;
- соединительное колено из ПНД ø 50 мм;
- уплотнение ø 44/32 мм;
- 2 резьбовые шпильки M12;
- Крепеж.
Применение:
- Для встраивания в систем крепления Geberit GIS для пристенков, разделительных перегородок или отдельно стоящих стен;
- Для подвесных биде с вертикальным смесителем;
- Для напольных покрытий толщиной 0–20 см.
Новинки ассортимента 2021 |
Нет отзывов об этом товаре.