Код товара:
НС-1653154Артикул:
НС-1653154Производители
АНИ пластUPC:
НС-1653154Наличие:
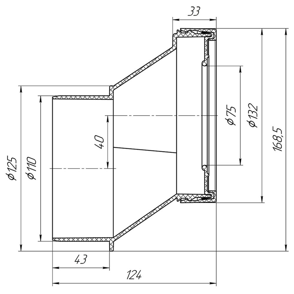
Нет в наличииЭксцентрик жесткий АНИ Пласт W0421 длиной 40 мм с выпуском 110 мм — это профессиональное решение для подключения сантехнического оборудования к канализационным системам. Изделие предназначено для компенсации несовпадения осей и создания надежного соединения между оборудованием и канализационной трубой.
Артикул товара: НС-1653154.
Вес товара (нетто)
0.264
Вес товара с упаковкой (брутто)
0.264
Гарантийный срок
2 года
Глубина товара
14.1
Ширина товара
12.8
Вид комплектующего
Манжета для унитаза
Масса товара (нетто)
0.264
Присоединительный размер
110
Высота упаковки товара
14.8
Глубина упаковки товара
14.1
Ширина упаковки товара
12.8
Высота товара
14.8
Модель
Артикул
00000034380_РТГ
Бренд
АНИ пласт
Общие
Материал
Полипропилен
Длина
12.3
Основные
Страна производства
РОССИЯ
Отзывов: 0
Нет отзывов об этом товаре.
