Код товара:
НС-1691315Артикул:
НС-1691315Производители
TemperUPC:
НС-1691315Наличие:
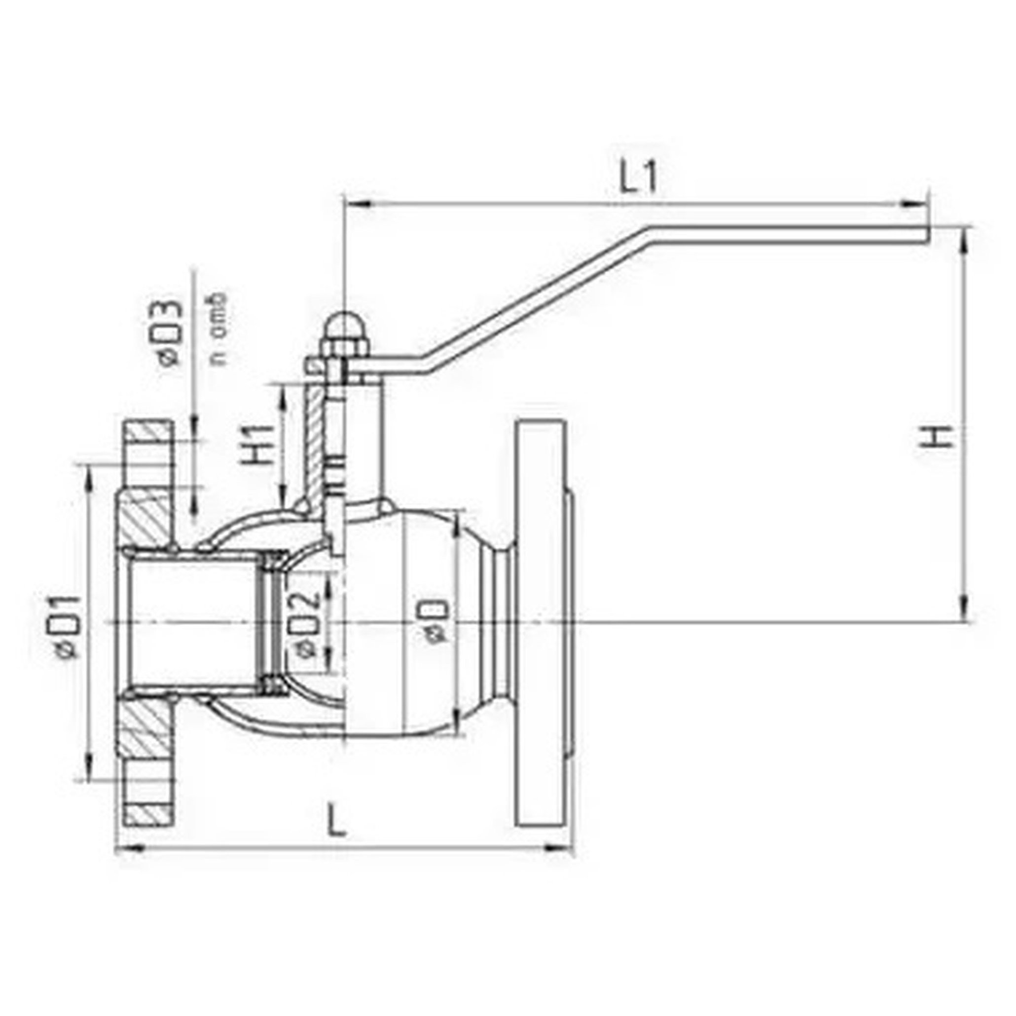
Нет в наличииКраны шаровые, цельносварные, стандартнопроходные из углеродистой стали под фланцевое соединение, используются как запорное устройство для трубопроводов водо- и теплоснабжения, также нефте- и газопроводов. Редуцирование потока не допускается. Отличаются надежностью конструкции, большим запасом прочности и повышенной устойчивостью к коррозии.
Преимущества: универсальная конструкция кранов позволяет использовать их на жидких и/или газообразных средах; присоединительные размеры соответствуют российским стандартам; порошковая окраска создает дополнительную антикоррозионную защиту; удлиненная горловина позволяет легко теплоизолировать кран; оцинкованная пружина для более длительного срока эксплуатации.
Продукция хладостойкого климатического исполнения (ХЛ1) производится из бесшовной толстостенной стали. Максимальный класс герметичности во всем диапазоне рабочих температур.
Артикул товара: НС-1691315.
Вес товара (нетто)
5.9
Вес товара с упаковкой (брутто)
5.9
Гарантийный срок
3 года
Глубина товара
7.6
Диаметр условный
50
Макс. рабочая температура
200
Макс. температура теплоносителя
200
Мин. рабочая температура
-40
Ширина товара
13.8
Вид исполнения
Прямой
Диаметр (Ду) ″
2
Масса товара (нетто)
5.9
Назначение и соответствие
Для управления потоком воды или других жидких сред
Назначение крана
Водяной
Тип резьбы
Нет
Тип подключения
Прямое
Рабочая среда
Жидкие неагрессивные среды
Область применения
Отопление и водоснабжение
Тип прохода
Стандартнопроходной
Применение и соответствие
Для управления потоком воды или других жидких сред
Высота упаковки товара
7.6
Вид управления
Рычаг
Глубина упаковки товара
18
Гарантийный документ
Паспорт
Резьба присоединения
Нет
Ширина упаковки товара
13.8
Тип соединения
Фланцевое
Покрытие корпуса
Окрашенное
Пропускная способность
102
Высота товара
18
Модель
Артикул
28620050
Бренд
TEMPER
Общие
Срок службы
25 лет
Основные
Страна производства
РОССИЯ
Материал корпуса
Сталь
Характеристики товара
Макс. рабочее давление
40
Отзывов: 0
Нет отзывов об этом товаре.
